08T02001B1.5
XUSHENG & COMPASS
08T02001B1.5
| штат: | |
|---|---|
| Количество: | |
Гигиенический трубчатый теплообменник, разработанный с учетом высоких требований к чистоте, соответствует высоким требованиям к чистоте фармацевтической промышленности и обычно используется для охлаждения точек впрыска воды, модульной интеграции, технологического охлаждения или нагрева и т. д. Санитарный трубчатый пластинчатый теплообменник представляет собой трубку и кожух. теплообменник, в котором трубные решетки на обоих концах пучка труб жестко соединены с корпусом сваркой.После сварки трубной пластины и корпуса его также можно использовать в качестве фланца и соединить с фланцем трубной коробки с помощью болтов.
Принцип работы
Материал течет внутри трубы, холодная и горячая среда течет внутри оболочки, а материал и холодная и горячая среда осуществляют высокоэффективный теплообмен через компактный пучок трубок, чтобы соответствовать
технологический температурный режим.
Поскольку в теплообменнике используется двойная трубчатая пластина /корпус и трубка. Конструкция полностью исключает двунаправленное перекрестное загрязнение между материалом и холодной и горячей средой.
Товар | Трубчатый пластинчатый теплообменник | |
Тип трубчатого пластинчатого теплообменника | Двухтрубный пластинчатый теплообменник | |
Однотрубный пластинчатый теплообменник | ||
Материал контактирующих частей | СС304(1.4301)/СС316Л (1.4404),СС2205, СС2507 | Предоставляется отчет о проверке материала |
Материал бесконтактных деталей | СС304(1.4301) | |
Уплотнительный материал | НБР, ЭПДМ, силикон, ФКМ | Все материалы соответствуют FDA21CFR117.2600. |
Поток | 30-32000л | |
Площадь теплопередачи | 0,05 м², 1,0 м², 1,5 м², 2,0 м², 2,5 м², 3,0 м² | |
Размер трубки | 6 мм, 8 мм, 10 мм, 12 мм, 14 мм, 16 мм, 19 мм, 25 мм и т. д. | |
Коэффициент теплопередачи | Вода - Вода: 1100~1400 Вт/(м2℃) | |
Вода-пар: 2300~5700 Вт/(м2℃) | ||
Связь | Штуцер, внутренняя резьба, тройной зажим, фланец | |
Макс.Давление | 10 бар (145 фунтов на квадратный дюйм) | |
Рабочее давление | 0–6 бар (0–87 фунтов на квадратный дюйм) | |
Расчетная температура | 14 ~ 392°F (-10°C~+200 ℃) | |
Отделка внутренней поверхности | Ра<0,5 мкм | |
Установленное положение | Вертикальный горизонтальный | |
Приложение
Теплообменник с фиксированными трубчатыми пластинами — это энергосберегающее оборудование, обеспечивающее теплообмен между материалами.Это широко используемое технологическое оборудование в таких отраслях, как нефтяная, химическая, нефтехимическая, металлургическая, энергетическая, легкая и пищевая.На долю теплообменников приходится около 40% от общего количества оборудования и 30%-45% от общего объема инвестиций в нефтеперерабатывающие и химические предприятия.С развитием энергосберегающих технологий и постоянным расширением областей применения использование теплообменников для утилизации высокотемпературной и низкотемпературной тепловой энергии принесло значительные экономические выгоды.
Структурные принципы
Со стороны труб и корпуса теплообменника с фиксированной трубной решеткой протекают жидкости с разными температурами, и теплообмен завершается.Когда разница температур между двумя жидкостями велика, компенсационное кольцо (компенсатор) обычно добавляется в соответствующем месте со стороны корпуса, чтобы избежать напряжения, вызванного перепадом температур.Когда тепловое расширение кожухотрубного пучка различно, компенсационное кольцо подвергается медленной упругой деформации, чтобы компенсировать тепловое расширение, вызванное напряжением из-за разницы температур.
Преимущества & Особенность
1. Меньше использования поковок, низкая стоимость.
2. Простой дизайн, простота обслуживания.
3. Отсутствие внутренней утечки;
4. Подходит для более высоких давлений и температур.
5. Более низкий перепад давления
6. Легко найти утечки
7. Менее склонен к загрязнению
Как сделать заказ на пластинчатый теплообменник
1. Каков расход очищенной воды?
2. Какова температура на входе и выходе чистой воды?
3. Какова температура нагревательного пара на входе и выходе?
4. Каков расход греющего пара?
5. Каково давление греющего пара?
6. Какой тип и размер соединения?
Гигиенический трубчатый теплообменник, разработанный с учетом высоких требований к чистоте, соответствует высоким требованиям к чистоте фармацевтической промышленности и обычно используется для охлаждения точек впрыска воды, модульной интеграции, технологического охлаждения или нагрева и т. д. Санитарный трубчатый пластинчатый теплообменник представляет собой трубку и кожух. теплообменник, в котором трубные решетки на обоих концах пучка труб жестко соединены с корпусом сваркой.После сварки трубной пластины и корпуса его также можно использовать в качестве фланца и соединить с фланцем трубной коробки с помощью болтов.
Принцип работы
Материал течет внутри трубы, холодная и горячая среда течет внутри оболочки, а материал и холодная и горячая среда осуществляют высокоэффективный теплообмен через компактный пучок трубок, чтобы соответствовать
технологический температурный режим.
Поскольку в теплообменнике используется двойная трубчатая пластина /корпус и трубка. Конструкция полностью исключает двунаправленное перекрестное загрязнение между материалом и холодной и горячей средой.
Товар | Трубчатый пластинчатый теплообменник | |
Тип трубчатого пластинчатого теплообменника | Двухтрубный пластинчатый теплообменник | |
Однотрубный пластинчатый теплообменник | ||
Материал контактирующих частей | СС304(1.4301)/СС316Л (1.4404),СС2205, СС2507 | Предоставляется отчет о проверке материала |
Материал бесконтактных деталей | СС304(1.4301) | |
Уплотнительный материал | НБР, ЭПДМ, силикон, ФКМ | Все материалы соответствуют FDA21CFR117.2600. |
Поток | 30-32000л | |
Площадь теплопередачи | 0,05 м², 1,0 м², 1,5 м², 2,0 м², 2,5 м², 3,0 м² | |
Размер трубки | 6 мм, 8 мм, 10 мм, 12 мм, 14 мм, 16 мм, 19 мм, 25 мм и т. д. | |
Коэффициент теплопередачи | Вода - Вода: 1100~1400 Вт/(м2℃) | |
Вода-пар: 2300~5700 Вт/(м2℃) | ||
Связь | Штуцер, внутренняя резьба, тройной зажим, фланец | |
Макс.Давление | 10 бар (145 фунтов на квадратный дюйм) | |
Рабочее давление | 0–6 бар (0–87 фунтов на квадратный дюйм) | |
Расчетная температура | 14 ~ 392°F (-10°C~+200 ℃) | |
Отделка внутренней поверхности | Ра<0,5 мкм | |
Установленное положение | Вертикальный горизонтальный | |
Приложение
Теплообменник с фиксированными трубчатыми пластинами — это энергосберегающее оборудование, обеспечивающее теплообмен между материалами.Это широко используемое технологическое оборудование в таких отраслях, как нефтяная, химическая, нефтехимическая, металлургическая, энергетическая, легкая и пищевая.На долю теплообменников приходится около 40% от общего количества оборудования и 30%-45% от общего объема инвестиций в нефтеперерабатывающие и химические предприятия.С развитием энергосберегающих технологий и постоянным расширением областей применения использование теплообменников для утилизации высокотемпературной и низкотемпературной тепловой энергии принесло значительные экономические выгоды.
Структурные принципы
Со стороны труб и корпуса теплообменника с фиксированной трубной решеткой протекают жидкости с разными температурами, и теплообмен завершается.Когда разница температур между двумя жидкостями велика, компенсационное кольцо (компенсатор) обычно добавляется в соответствующем месте со стороны корпуса, чтобы избежать напряжения, вызванного перепадом температур.Когда тепловое расширение кожухотрубного пучка различно, компенсационное кольцо подвергается медленной упругой деформации, чтобы компенсировать тепловое расширение, вызванное напряжением из-за разницы температур.
Преимущества & Особенность
1. Меньше использования поковок, низкая стоимость.
2. Простой дизайн, простота обслуживания.
3. Отсутствие внутренней утечки;
4. Подходит для более высоких давлений и температур.
5. Более низкий перепад давления
6. Легко найти утечки
7. Менее склонен к загрязнению
Как сделать заказ на пластинчатый теплообменник
1. Каков расход очищенной воды?
2. Какова температура на входе и выходе чистой воды?
3. Какова температура нагревательного пара на входе и выходе?
4. Каков расход греющего пара?
5. Каково давление греющего пара?
6. Какой тип и размер соединения?
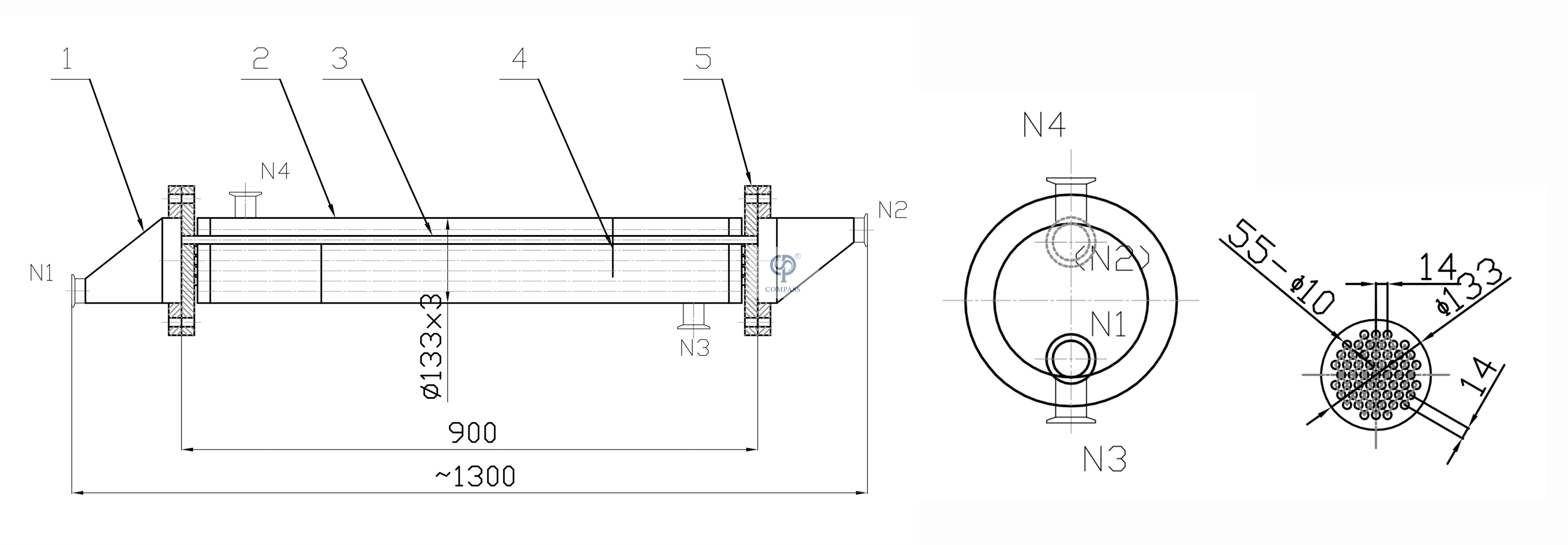
Элемент | Имя | Материал | Связь | Размер |
N1 | Вход очищенной воды | 304/316л | Зажим | 32 мм |
N2 | Выход очищенной воды | 304/316л | Зажим | 32 мм |
N3 | Вход охлажденной воды | 304 | Зажим | 51 мм |
N4 | Выход охлажденной воды | 304 | Зажим | 51 мм |
1 | Редуктор | 304/316л | Зажим | 133x32x3 мм |
2 | Оболочка | 304 | / | 133x3 мм |
3 | Теплообменная трубка | 304/316л | / | 10x1 ммx55 шт. |
4 | Трубный лист | 304/316л | / | 1 шт. |
5 | Трубный лист | 304 | / | 1 шт. |
Элемент | Имя | Материал | Связь | Размер |
N1 | Вход очищенной воды | 304/316л | Зажим | 32 мм |
N2 | Выход очищенной воды | 304/316л | Зажим | 32 мм |
N3 | Вход охлажденной воды | 304 | Зажим | 51 мм |
N4 | Выход охлажденной воды | 304 | Зажим | 51 мм |
1 | Редуктор | 304/316л | Зажим | 133x32x3 мм |
2 | Оболочка | 304 | / | 133x3 мм |
3 | Теплообменная трубка | 304/316л | / | 10x1 ммx55 шт. |
4 | Трубный лист | 304/316л | / | 1 шт. |
5 | Трубный лист | 304 | / | 1 шт. |
Приложения
1. Точечное охлаждение для впрыска воды
2. SIP-дезинфекция и стерилизация системы подачи воды
3. Точечное охлаждение очищенной воды
4. Система пастеризации очищенной воды
5. Нагрев для очищенной системы безразборной мойки
6. Охлаждение водой высокой чистоты
7. Конденсация и охлаждение чистого пара
8. Охлаждение и нагрев высокочистых жидкостей
Приложения
1. Точечное охлаждение для впрыска воды
2. SIP-дезинфекция и стерилизация системы подачи воды
3. Точечное охлаждение очищенной воды
4. Система пастеризации очищенной воды
5. Нагрев для очищенной системы безразборной мойки
6. Охлаждение водой высокой чистоты
7. Конденсация и охлаждение чистого пара
8. Охлаждение и нагрев высокочистых жидкостей
Содержание пуста!